 
 
	
	
		概述
	
	
		   KYN61-40.5(2)型铠装移开式交流金属封闭开关设备(以下简称“35KV高压开关柜" )它适用于三相交流50Hz电力系统,用于发电厂、变电所及工矿企业的配电室接受和分配电能之用,并对电路实行控制、保护及监测。
	
	
		   符合标准: GB3906 《3-35kV交流金属封闭开关设备》、GB/T11022 《高压开关设备和控制设备标准共用技术要求》、1IEC60298 《额定电压1kV以上及50kV以下交流金属封闭开关设备和控制设备》。
	
	
		
	
	
		型号及含义
	
	
		 
 
	
	
		
	
	
		使用条件
	
	
		1.周围空气温度:最高温度+40℃。最低温度-10℃;
	
	
		2.海拔高度:≤1000m;
	
	
		3.周围相对湿气:日平均值≤95%,月平均值≤90%;
	
	
		4.周围空气:不适用于有腐蚀、严重污秽,可燃性气体及剧烈振动的场所;
	
	
		5.若有地震发生,地震强度不能超过8级。
	
	
		
	
	
		结构特点
	
	
		   35KV高压开关柜结构GB3906-2006和IEC298中铠装金属封闭开关设备标准而设计,整体由柜体和可抽出部分(手车)两部分级组成。柜体结构为组装式,用螺栓栓按组合成型,用金属隔板将开关柜体内部分隔为断路器室、主母线室、电缆室和继电器仪表室。外壳防护等级达到IP3X.各隔室间肪护等级为IP2X,并且所有金属结构件可靠接地,主回路系统的隔室间有独立排气的压力释放通道。
	
	
		    手车根据用途可分为断路器手车、电压互感器手车、计量手车、隔离手车等,各类手车的外形尺寸相同,相同用途的手车具有良好的互换性:手车在柜内有试验1隔离位置和工作位置,每一处位置都没有联锁装置以保证手车处于以上两位置时不能随便移动。
	
	
		
	
	
		主要技术参数 
	
	
		
			
				| 项目 | 单位 | 参数 | 
			
				| 额定电压 | kV | 40.5 | 
			
				| 额定绝缘水平 | 雷电冲击耐压(全波) | kV | 185 | 
			
				| 工频耐压 | Hz | 95 | 
			
				| 额定频率 | 
 | A | 50 | 
			
				| 额定电流 | 
 | kV | 630;1250;16000;2000 | 
			
				| 额定短路开断时间 | 工频耐压(1min) | kV | 20、25、31.5 | 
			
				| 额定短路关合电流(峰值) | kV | 50、63、80、 | 
			
				| 额定动稳定电流(峰值) | kV | 50、63、80、 | 
			
				| 4s热稳定电流(有效值) | kV | 20、25、31.5 | 
			
				| 外壳防护等级 | 真空断路器柜 | 
						mm
					 | IP4X | 
			
				| 外形尺寸(宽x深x高) | SF6短路器柜 | 
						1400x220x2600
					 | 
		
	
	
		
	
	
		断路器技术参数 
	
	
		
			
				| 项目 | 单位 | 参数 | 
			
				| 额定电压 | kV | 40.5 | 
			
				| 额定绝缘水平 | 雷电冲击耐压(全波) | kV | 185 | 
			
				| 工频耐压 | Hz | 95 | 
			
				| 额定频率 | 
 | A | 50 | 
			
				| 额定电流 | 
 | kV | 1250;1600;2000 
 | 630;1250;16000;2000 | 
			
				| 额定短路开断时间 | kV | 20、25、31.5 | 25、31.5 
 | 
			
				| 额定短路关合电流(峰值) | kV | 50、63、80 | 63、80 | 
			
				| 额定动稳定电流(峰值) | kV | 50、63、80 | 63、80 | 
			
				| 4s热稳定电流(有效值) | kV | 20、25、31.5 | 25、31.5(3s) | 
			
				| 分闸时间 | 
						ms
					 | 36~60 | ≤45 
 | 
			
				| 合闸时间 | ms | 40~90 | 
						≤75
					 | 
			
				| 额定操作顺序 | 
 | 分-0.3s-合分-180s-合分 | 
		
	
	
		
	
	
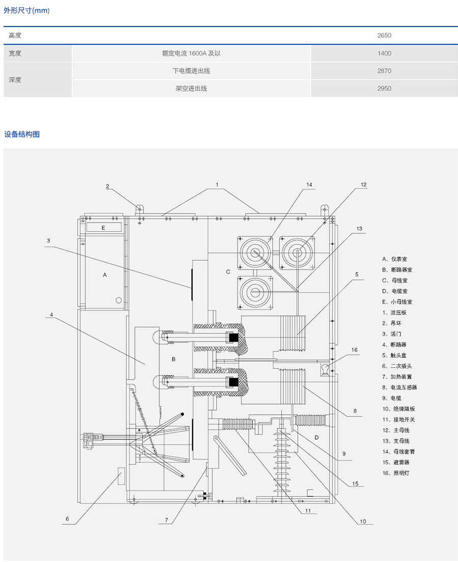
		35KV高压开关柜尺寸及结构图 
	
	
		 
 
	
	
		 
 
	
	
		 
 
	
	
		 
 
	
	
		 
 
	
	
		 
 
	
	
		订贷须知
	
	
		订35KV高压柜时须提供以下技术资料:
	
	
		1.主电路方案号、用途和主电路方案、配电室平面布置图及排列配置图等;
	
	
		2.开关设备控制、测量及保护功能的要求以及其他封闭和自动装置的要求;
	
	
		3.开关设备电器元件的型号.规格、数量;
	
	
		4.如开关设备之间或进线柜需要母线桥连接,应提供母线桥的额定载流量,母线桥的跨度,距地高度等具体要求数据;
	
	
		5.开关设备使用在特殊环境条件时,应在订货时详细说明;
	
	
		6.其它特殊要求同本公司协商。